Page 1 of 1
Esp32 Display board
Posted: Sat Aug 10, 2024 1:11 am
by Chadb
HI I have an esp board with a display.
https://www.amazon.com/DIYmalls-ESP-WRO ... C94&sr=8-1
I have managed to get most everything working but the touch controller.
They are wired to :
TOUCH:
CTP_SDA.33
CTP_SCL.32
CTP_RST.25
CTP_INT.21 * This is shorted to gnd on my version.
You can cut the trace and wire it to R25 Pad.
33 and 32 do not exist in the pin configurations in flow code.
Any ideas?
Thanks,
Chad
Re: Esp32 Display board
Posted: Mon Aug 12, 2024 11:09 am
by BenR
Hi Chad,
32 is pin B0 and 33 is pin B1, hope this helps
This too might be interesting for you.
viewtopic.php?p=16701#p16701
Re: Esp32 Display board
Posted: Wed Aug 21, 2024 12:59 am
by Chadb
Thanks, I used those numbers and I still can't get anything out of the touch. Right now, I am just doing a sample sensor looking for a touch and if I get one I am trying to light a LED. It simulates ok, but I can't get anything out of the hardware. I have tried 100k 400k i2c rate, I am using i2c2 because 1 is used on a mcp23017. I have tried single ended and differential. I am not using the interrupt pin. My board has it hardwired to GND. That should give a 0x5d address. I have tried both. Still nothing.
Could you please take a look at the GT911 component?
Any other suggestions?
Thanks,
chad
Re: Esp32 Display board
Posted: Tue Aug 27, 2024 7:32 am
by Chadb
Bump.
Re: Esp32 Display board
Posted: Thu Aug 29, 2024 12:26 am
by BenR
Hi Chad,
I've ordered one so I'll investigate for you.
Re: Esp32 Display board
Posted: Thu Aug 29, 2024 4:31 am
by Chadb
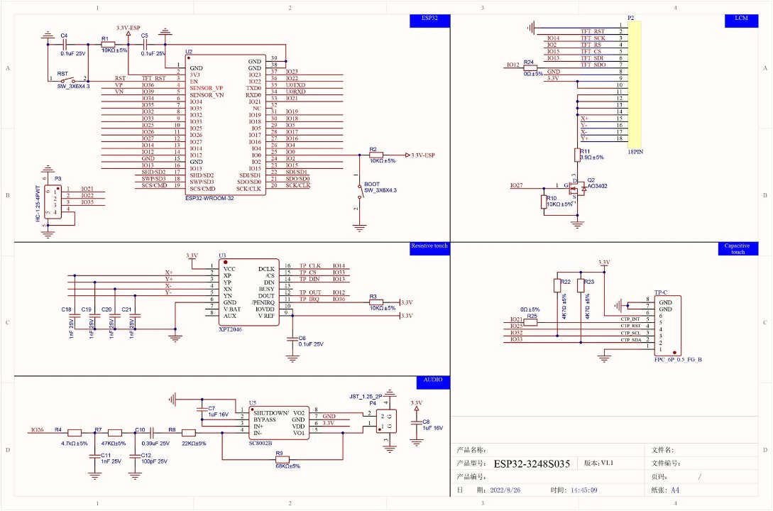
Cool, The documentation sucks, so here is a head start.
LCD: ST7796
MOSI-A.13
MISO-A.12
CLK-A.14
CS-A.15
D/C-A.2
RST- N/A Tied to RST BTN PIN
LED BACKLIGHT -A.27
TOUCH: GT911
CTP_SDA.33 ==B1
CTP_SCL.32 ==B0
CTP_RST.25
CTP_INT.21 * This is shorted to board on my version.
SPEAKER sound -26
CN1 I2C:
SDA 21
SCL 22
Red LED: 4
Green LED 16
Blue LED 17
Photocell An6 / io 34

- 9cca7ccb42e9d558234bd64e2778e48083f8aaf8.jpeg (108.87 KiB) Viewed 6381 times

- 9d12174288359ed99dabe63ee449441ac1bb8848.png (365.63 KiB) Viewed 6381 times

- f3d4b6fdac5d57c9de70c431d9e86881514e0b06.jpeg (77.52 KiB) Viewed 6381 times
Re: Esp32 Display board
Posted: Thu Aug 29, 2024 4:32 am
by Chadb

- 276e9c8c7acb41e081db9f407c0f677c958b093c.jpeg (115.76 KiB) Viewed 6381 times
Re: Esp32 Display board
Posted: Thu Aug 29, 2024 1:15 pm
by WingNut
Interesting device. I wonder how hard it would be to integrate it into a display for home assistant
Re: Esp32 Display board
Posted: Thu Aug 29, 2024 4:25 pm
by BenR
It's taken me all day to track down the cause but hopefully resolved for you now.
The latest GT911 component in the library updates should solve the issue.
Here's my working test program.
Re: Esp32 Display board
Posted: Thu Aug 29, 2024 4:44 pm
by Chadb
Yep, that works, Even have the multitouch going. Thanks!!! What was wrong?
Chad