Component: LED Matrix (Parallel) (LEDs)
| Author | Matrix Ltd |
| Version | 1.0 |
| Category | LEDs |
Contents
LED Matrix (Parallel) component
LED Matrix component designed to work using multiple data pins and a single clock pin. Each LED on the display can be controlled in a chain by setting the data appropriatley and then generating the appropriate amount of clock pulses.
Component Source Code
Please click here to download the component source project: FC_Comp_Source_LED_Matrix_Parrallel.fcfx
Please click here to view the component source code (Beta): FC_Comp_Source_LED_Matrix_Parrallel.fcfx
Detailed description
No detailed description exists yet for this component
Examples
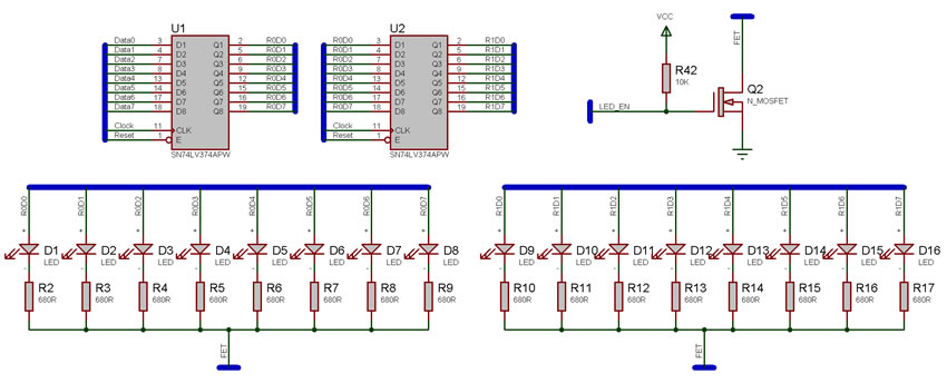
Parallel LED matrix example schematic showing 16 LEDs connected using two octal buffer ICs. Data connections to the microcontroller are Data0-Data7, LED_EN, Reset and Clock.
Each clock pulse transfers the output state to the next LED so Data0 goes to LED R0D0 and LED R0D0 goes to LED R1D0 etc.
Example Program
ledmatrixp
Note. to allow the simulation to run smoothly ensure that the simulation speed is set to normal and you may also want to enable hardware acceleration using the Global Options.
Example Panel Display
Macro reference
ClearLEDs
| ClearLEDs | |
| Sets all of the LEDs in the matrix to the off state. | |
| Return | |
DisplayString
StrobeHigh
| StrobeHigh | |
| Sets the strobe pin high. Strobing controls the LED brightness and does not apply to simulation. | |
| Return | |
StrobeLow
| StrobeLow | |
| Sets the strobe pin low. Strobing controls the LED brightness and does not apply to simulation. | |
| Return | |
WriteColumn
| WriteColumn | |
| Allows a single column of data to be inserted, Acts to shift the rest of the columns across by one. | |
| Data | |
| Data to display on the column of LEDs | |
| Return | |

