Esp32 Display board

For general Flowcode discussion that does not belong in the other sections.
Post Reply
Chadb
Posts: 73
http://meble-kuchenne.info.pl
Joined: Fri Dec 18, 2020 1:15 pm
Has thanked: 32 times
Been thanked: 1 time

Flowcode v10 Esp32 Display board

Post by Chadb »

HI I have an esp board with a display.

https://www.amazon.com/DIYmalls-ESP-WRO ... C94&sr=8-1

I have managed to get most everything working but the touch controller.
They are wired to :

TOUCH:
CTP_SDA.33
CTP_SCL.32
CTP_RST.25
CTP_INT.21 * This is shorted to gnd on my version.
You can cut the trace and wire it to R25 Pad.

33 and 32 do not exist in the pin configurations in flow code.
Any ideas?

Thanks,
Chad

BenR
Matrix Staff
Posts: 2192
Joined: Mon Dec 07, 2020 10:06 am
Has thanked: 599 times
Been thanked: 794 times

Re: Esp32 Display board

Post by BenR »

Hi Chad,

32 is pin B0 and 33 is pin B1, hope this helps :D

This too might be interesting for you.
viewtopic.php?p=16701#p16701

Chadb
Posts: 73
Joined: Fri Dec 18, 2020 1:15 pm
Has thanked: 32 times
Been thanked: 1 time

Re: Esp32 Display board

Post by Chadb »

Thanks, I used those numbers and I still can't get anything out of the touch. Right now, I am just doing a sample sensor looking for a touch and if I get one I am trying to light a LED. It simulates ok, but I can't get anything out of the hardware. I have tried 100k 400k i2c rate, I am using i2c2 because 1 is used on a mcp23017. I have tried single ended and differential. I am not using the interrupt pin. My board has it hardwired to GND. That should give a 0x5d address. I have tried both. Still nothing.

Could you please take a look at the GT911 component?

Any other suggestions?
Thanks,
chad

Chadb
Posts: 73
Joined: Fri Dec 18, 2020 1:15 pm
Has thanked: 32 times
Been thanked: 1 time

Re: Esp32 Display board

Post by Chadb »

Bump.

BenR
Matrix Staff
Posts: 2192
Joined: Mon Dec 07, 2020 10:06 am
Has thanked: 599 times
Been thanked: 794 times

Re: Esp32 Display board

Post by BenR »

Hi Chad,

I've ordered one so I'll investigate for you.

Chadb
Posts: 73
Joined: Fri Dec 18, 2020 1:15 pm
Has thanked: 32 times
Been thanked: 1 time

Re: Esp32 Display board

Post by Chadb »

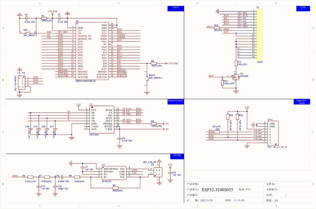
Cool, The documentation sucks, so here is a head start.

LCD: ST7796
MOSI-A.13
MISO-A.12
CLK-A.14
CS-A.15
D/C-A.2
RST- N/A Tied to RST BTN PIN
LED BACKLIGHT -A.27

TOUCH: GT911
CTP_SDA.33 ==B1
CTP_SCL.32 ==B0
CTP_RST.25
CTP_INT.21 * This is shorted to board on my version.

SPEAKER sound -26

CN1 I2C:
SDA 21
SCL 22

Red LED: 4
Green LED 16
Blue LED 17
Photocell An6 / io 34

9cca7ccb42e9d558234bd64e2778e48083f8aaf8.jpeg
9cca7ccb42e9d558234bd64e2778e48083f8aaf8.jpeg (108.87 KiB) Viewed 8348 times
9d12174288359ed99dabe63ee449441ac1bb8848.png
9d12174288359ed99dabe63ee449441ac1bb8848.png (365.63 KiB) Viewed 8348 times
f3d4b6fdac5d57c9de70c431d9e86881514e0b06.jpeg
f3d4b6fdac5d57c9de70c431d9e86881514e0b06.jpeg (77.52 KiB) Viewed 8348 times
Last edited by Chadb on Thu Aug 29, 2024 4:48 pm, edited 1 time in total.

Chadb
Posts: 73
Joined: Fri Dec 18, 2020 1:15 pm
Has thanked: 32 times
Been thanked: 1 time

Re: Esp32 Display board

Post by Chadb »

276e9c8c7acb41e081db9f407c0f677c958b093c.jpeg
276e9c8c7acb41e081db9f407c0f677c958b093c.jpeg (115.76 KiB) Viewed 8348 times

WingNut
Posts: 279
Joined: Tue Jul 13, 2021 1:53 pm
Has thanked: 52 times
Been thanked: 37 times

Re: Esp32 Display board

Post by WingNut »

Interesting device. I wonder how hard it would be to integrate it into a display for home assistant

BenR
Matrix Staff
Posts: 2192
Joined: Mon Dec 07, 2020 10:06 am
Has thanked: 599 times
Been thanked: 794 times

Re: Esp32 Display board

Post by BenR »

It's taken me all day to track down the cause but hopefully resolved for you now.

The latest GT911 component in the library updates should solve the issue.


Here's my working test program.
GLCD_Test_GT911.fcfx
(20.43 KiB) Downloaded 521 times

Chadb
Posts: 73
Joined: Fri Dec 18, 2020 1:15 pm
Has thanked: 32 times
Been thanked: 1 time

Re: Esp32 Display board

Post by Chadb »

Yep, that works, Even have the multitouch going. Thanks!!! What was wrong?

Chad

Post Reply