Recent Changes - Search:
<^< Assessment: Active Circuits | Course index | Written Questions: Active Circuits >^>

Electronic circuits and components * Course Index * Introduction * About the Author * About this Course * Feedback * Course Navigation * How to use this Course * TINA * Locktronics

Fundamentals * Introduction: Fundamentals * Units and Multiples * Electricity * Electronic Principles * Electrical Circuits * Alternating Current * Assessment: Fundamentals

Passive Components * Introduction: Passive Components * Resistors * Capacitors * Inductors * Transformers * Batteries, Fuses, Lamps and Switches * Assessment: Passive Components

Semiconductors * Introduction: Semiconductors * Diodes * Transistors * Logic Gates * Assessment: Semiconductors

Passive Circuits * Introduction: Passive Circuits * Series and Parallel Connections * Kirchoff's Laws * Potential and Current Dividers * Passive Time Variant Circuits * Assessment: Passive Circuits

Active Circuits * Introduction: Active Circuits * Power Supply Circuits * Operational Amplifier Circuits * Transistor Amplifier Circuits * 555 Timer Circuits * Assessment: Active Circuits ##

Multiple Choice Quiz: Active Circuits ## Written Questions: Active Circuits ## Assignment: Active Circuits

Parts Gallery * Introduction: Parts Gallery * Passive Component Images * Semiconductor Images * Other Images * Quizzes

(:Summary:Contains the 'action' links (like Browse, Edit, History, etc.), placed at the top of the page, see site page actions:) (:comment This page can be somewhat complex to figure out the first time you see it. Its contents are documented at PmWiki.SitePageActions if you need help. :) * Print (:comment (:if group Site,SiteAdmin,Cookbook,Profiles,PmWiki*:) (:comment delete if and ifend to enable backlinks:) * %item rel=nofollow class=backlinks accesskey='$[ak_backlinks]'% [[{*$Name}?action=search&q=link={*$FullName} | $[Backlinks] ]] (:ifend:) :) * Login

Multiple Choice Quiz: Active Circuits

<^< Assessment: Active Circuits | Course Index | Written Questions: Active Circuits >^>(:nl:)

>>frame round<< Question 1:

When triggered by a negative pulse, the circuit shown produces:

(a) a single rectangular pulse with duration determined by R1 and C1
(b) a single rectangular pulse with duration determined by R2 and C2
(c) a series of rectangular pulses with duration determined by R2 and C2 >><<

>>id=example1 class=question margin=10px frame round<< Answer: B >><<

>>frame round<< Question 2:

Which one of the waveforms shows a typical waveform for the base-emitter voltage of an NPN transistor used in a simple common-emitter amplifier circuit operating from a 10V supply?

(a) Waveform (a) (b) Waveform (b) (c) Waveform (c) >><<

>>id=example2 class=question margin=10px frame round<< Answer: C >><<

>>frame round<< Question 3:

In the circuit shown, which component provides DC isolation at the output?

(a) C1 (b) C2 (c) R2 >><<

>>id=example3 class=question margin=10px frame round<< Answer: B >><<

>>frame round<< Question 4:

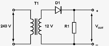
The figure shows a simple DC power supply. Which one of the following gives the approximate output voltage with no load connected?

(a) 6V
(b) 12V
(c) 17V >><<

>>id=example4 class=question margin=10px frame round<< Answer: C >><<

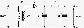
>>frame round<< Question 5:

In the circuit shown, which components act as a filter to improve smoothing?

(a) T1 and D1
(b) C1 and R1
(c) R1 and C2 >><<

>>id=example5 class=question margin=10px frame round<< Answer: C >><<

>>frame round<< Question 6:

In the circuit shown, IC1 is a 555 timer connected in:

(a) astable mode
(b) bistable mode
(c) monostable mode >><<

>>id=example6 class=question margin=10px frame round<< Answer: C >><<

>>frame round<< Question 7:

The amplitude of the pulse generated by the circuit shown will be:

(a) about 12V
(b) exactly 6V
(c) the same as the trigger input >><<

>>id=example7 class=question margin=10px frame round<< Answer: A >><<

>>frame round<< Question 8:

In the circuit shown, which one of the following gives the voltage gain?

(a) R2 - R1
(b) - R2/R1
(c) 1 + (R2/R1) >><<

>>id=example8 class=question margin=10px frame round<< Answer: B >><<

>>frame round<< Question 9:

In the circuit shown, the feature 'X' is:

(a) the inverting input
(b) the non-inverting input
(c) the positive supply input >><<

>>id=example9 class=question margin=10px frame round<< Answer: B >><<

>>frame round<< Question 10:

Which one of the following gives the voltage gain of the circuit shown?

(a) 2 (inverting)
(b) 3 (inverting)
(c) 30 (inverting) >><<

>>id=example10 class=question margin=10px frame round<< Answer: A >><<

>>frame round<< Question 11:

In the circuit shown, which one of the following gives the voltage gain?

(a) R1 - R2
(b) R2/R1
(c) 1 + (R2/R1) >><<

>>id=example11 class=question margin=10px frame round<< Answer: C >><<

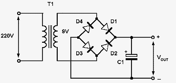
>>frame round<< Question 12:

In the power supply circuit shown:

(a) D1 to D4 form a half-wave rectifier
(b) D1 to D4 form a bridge rectifier
(c) D1 to D4 form a diode stabilizer >><<

>>id=example12 class=question margin=10px frame round<< Answer: B >><<

>>frame round<< Question 13:

In the circuit shown, the feature 'X' is:

(a) the inverting input
(b) the non-inverting input
(c) the negative supply input >><<

>>id=example13 class=question margin=10px frame round<< Answer: A >><<

>>frame round<< Question 14:

In the circuit shown, if V'_IN_' = 1.5V, which one of the following gives V'_OUT_'?

(a) -3V
(b) 3V
(c) 4.5V >><<

>>id=example14 class=question margin=10px frame round<< Answer: A >><<

>>frame round<< Question 15:

Which one of the waveforms shows a typical waveform for the collector-emitter voltage of an NPN transistor used in a simple common-emitter amplifier circuit operating from a 10V supply?

(a) Waveform (a)
(b) Waveform (b)
(c) Waveform (c) >><<

>>id=example15 class=question margin=10px frame round<< Answer: A >><<

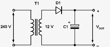
>>frame round<< Question 16:

In the circuit shown, the output voltage will consist of:

(a) a steady DC voltage of about 12V
(b) a steady DC voltage of about 17V
(c) a series of half-cycle pulses >><<

>>id=example16 class=question margin=10px frame round<< Answer: C >><<

>>frame round<< Question 17:

The figure shows a simple DC power supply. Which one of the following gives the approximate output voltage with no load connected?

(a) 4.5V
(b) 9V
(c) 11.5V >><<

>>id=example17 class=question margin=10px frame round<< Answer: C >><<

>>frame round<< Question 18:

The device shown is:

(a) a timer
(b) a logic gate
(c) an operational amplifier >><<

>>id=example18 class=question margin=10px frame round<< Answer: C >><<

>>frame round<< Question 19:

The circuit shows a power supply based on a:

(a) half-wave rectifier
(b) full-wave rectifier
(c) bridge rectifier >><<

>>id=example19 class=question margin=10px frame round<< Answer: A >><<

>>frame round<< Question 20:

The figure shows a simple DC power supply. Which one of the following gives the approximate output voltage with no load connected?

(a) 4.5V
(b) 9V
(c) 11.5V >><<

>>id=example20 class=question margin=10px frame round<< Answer: C >><<

>>frame round<< Question 21:

In the circuit shown, which component provides base bias current?

(a) C1
(b) R1
(c) R2 >><<

>>id=example21 class=question margin=10px frame round<< Answer: B >><<

>>frame round<< Question 22:

Which one of the waveforms shows a typical waveform for the base-emitter voltage of an NPN transistor used in a simple common-emitter amplifier circuit operating from a 10V supply?

(a) Waveform (a)
(b) Waveform (b)
(c) Waveform (c) >><<

>>id=example22 class=question margin=10px frame round<< Answer: C >><< (:nl:)(:table style="clear:both":)

(:Summary: Website page footer:)

Print - (:comment (:if group Site,SiteAdmin,Cookbook,Profiles,PmWiki*:) (:comment delete if and ifend to enable backlinks:) %item rel=nofollow class=backlinks accesskey='$[ak_backlinks]'% [[{*$Name}?action=search&q=link={*$FullName} | $[Backlinks] ]] (:ifend:) :) Search - Login

Page last modified on August 01, 2011, at 01:34 PM