Recent Changes - Search:
<^< Assessment: Passive Circuits | Course index | Written Questions: Passive Circuits >^>

Electronic circuits and components * Course Index * Introduction * About the Author * About this Course * Feedback * Course Navigation * How to use this Course * TINA * Locktronics

Fundamentals * Introduction: Fundamentals * Units and Multiples * Electricity * Electronic Principles * Electrical Circuits * Alternating Current * Assessment: Fundamentals

Passive Components * Introduction: Passive Components * Resistors * Capacitors * Inductors * Transformers * Batteries, Fuses, Lamps and Switches * Assessment: Passive Components

Semiconductors * Introduction: Semiconductors * Diodes * Transistors * Logic Gates * Assessment: Semiconductors

Passive Circuits * Introduction: Passive Circuits * Series and Parallel Connections * Kirchoff's Laws * Potential and Current Dividers * Passive Time Variant Circuits * Assessment: Passive Circuits ##

Multiples Choice Quiz: Passive Circuits ## Written Questions: Passive Circuits ## Assignment: Passive Circuits

Active Circuits * Introduction: Active Circuits * Power Supply Circuits * Operational Amplifier Circuits * Transistor Amplifier Circuits * 555 Timer Circuits * Assessment: Active Circuits

Parts Gallery * Introduction: Parts Gallery * Passive Component Images * Semiconductor Images * Other Images * Quizzes

(:Summary:Contains the 'action' links (like Browse, Edit, History, etc.), placed at the top of the page, see site page actions:) (:comment This page can be somewhat complex to figure out the first time you see it. Its contents are documented at PmWiki.SitePageActions if you need help. :) * Print (:comment (:if group Site,SiteAdmin,Cookbook,Profiles,PmWiki*:) (:comment delete if and ifend to enable backlinks:) * %item rel=nofollow class=backlinks accesskey='$[ak_backlinks]'% [[{*$Name}?action=search&q=link={*$FullName} | $[Backlinks] ]] (:ifend:) :) * Login

Multiple Choice Quiz: Passive Circuits

<^< Assessment: Passive Circuits | Course Index | Written Questions: Passive Circuits >^>(:nl:)

>>frame round<< Question 1:

In the circuit shown, the output waveform will have:

(a) a square shape
(b) a triangle shape
(c) a series of narrow pulses >><<

>>id=example1 class=question margin=10px frame round<< Answer: C >><<

>>frame round<< Question 2:

In the circuit shown, the output waveform will have:

(a) a square shape
(b) a triangle shape
(c) a series of narrow pulses >><<

>>id=example2 class=question margin=10px frame round<< Answer: B >><<

>>frame round<< Question 3:

A C-R discharging circuit consists of C=100µF and R=2 M&#937;. If the capacitor is initially charged to a voltage of 40 V, which one of the following gives the time taken for the capacitor voltage to fall to 12.6 V?

(a) 100 s
(b) 200 s
(c) 400 s >><<

>>id=example3 class=question margin=10px frame round<< Answer: B >><<

>>frame round<< Question 4:

A C-R circuit consists of C=100µF and R=100k&#937;. Which one of the following gives the time constant of the circuit?

(a) 1 s
(b) 10 s
(c) 100 s >><<

>>id=example4 class=question margin=10px frame round<< Answer: B >><<

>>frame round<< Question 5:

A C-R discharging circuit consists of C=1µF and R=1M&#937;. If the capacitor is initially charged to a voltage of 20 V, which one of the following gives the time taken for the capacitor voltage to fall to 6.3 V?

(a) 1 s
(b) 2 s
(c) 20 s >><<

>>id=example5 class=question margin=10px frame round<< Answer: A >><<

>>frame round<< Question 6:

Which one of the following gives the value of the unknown current shown in the figure?

(a) 25 mA
(b) 35 mA
(c) 40 mA >><<

>>id=example6 class=question margin=10px frame round<< Answer: C >><<

>>frame round<< Question 7:

The graph of capacitor voltage plotted against time for a C-R charging circuit has a shape that indicates:

(a) a straight line
(b) exponential decay
(c) exponential growth >><<

>>id=example7 class=question margin=10px frame round<< Answer: C >><<

>>frame round<< Question 8:

Which one of the following C-R combinations has a time constant of 40 ms?

(a) 4 k&#937; and 10 nF
(b) 20 k&#937; and 2 µF
(c) 80 M&#937; and 2 nF >><<

>>id=example8 class=question margin=10px frame round<< Answer: B >><<

>>frame round<< Question 9:

A C-R charging circuit consists of C=1µF and R=1M&#937;. If the circuit is supplied with a voltage of 10 V and the capacitor is initially fully discharged, which one of the following gives the capacitor voltage after a time of 1 s?

(a) 3.15 V
(b) 6.3 V
(c) 10 V >><<

>>id=example9 class=question margin=10px frame round<< Answer: B >><<

>>frame round<< Question 10:

The voltage produced by the circuit shown will be:

(a) 3 V
(b) 10 V
(c) 12 V >><<

>>id=example10 class=question margin=10px frame round<< Answer: C >><<

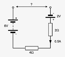
>>frame round<< Question 11:

Which one of the following gives the value of the unknown voltage shown in the figure?

(a) 0.5 V
(b) 1.5 V
(c) 2 V >><<

>>id=example11 class=question margin=10px frame round<< Answer: B >><<

>>frame round<< Question 12:

Which one of the following gives the value of the unknown current shown in the figure?

(a) 800 mA
(b) 1.2 A
(c) 1.4 A >><<

>>id=example12 class=question margin=10px frame round<< Answer: A >><<

>>frame round<< Question 13:

Which one of the following statements is TRUE for a C-R discharging circuit?

(a) The capacitor voltage will reach zero in a time interval equal to the time constant
(b) The capacitor voltage will reach zero in a time interval equal to twice the time constant
(c) The capacitor voltage will never reach zero >><<

>>id=example13 class=question margin=10px frame round<< Answer: C >><<

>>frame round<< Question 14:

Which one of the following gives the value of the unknown current shown in the figure?

(a) 0.8 A
(b) 1 A
(c) 2 A >><<

>>id=example14 class=question margin=10px frame round<< Answer: B >><<

>>frame round<< Question 15:

A C-R charging circuit is to have a time constant of 0.2 s. If a 200 nF capacitor is available, what value of resistor is required?

(a) 1 k&#937;
(b) 100 k&#937;
(c) 1 M&#937; >><<

>>id=example15 class=question margin=10px frame round<< Answer: C >><<

>>frame round<< Question 16:

The graph of capacitor voltage plotted against time for a C-R discharging circuit has a shape that indicates:

(a) a straight line
(b) exponential decay
(c) exponential growth >><<

>>id=example16 class=question margin=10px frame round<< Answer: B >><<

>>frame round<< Question 17:

Which one of the following gives the value of the unknown voltage shown in the figure?

(a) 1 V
(b) 5 V
(c) 8 V >><<

>>id=example17 class=question margin=10px frame round<< Answer: B >><<

>>frame round<< Question 18:

Which one of the following statements is TRUE for a C-R charging circuit?

(a) The capacitor voltage will be the same as the input voltage after a time interval equal to the time constant
(b) The capacitor voltage will be the same as the input voltage after a time
(c) The capacitor voltage will never quite reach the input voltage >><<

>>id=example18 class=question margin=10px frame round<< Answer: C >><<

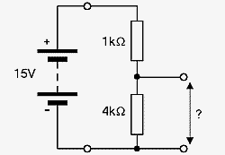
>>frame round<< Question 19:

Which one of the following gives the value of the unknown voltage shown in the figure?

(a) 6 V
(b) 9 V
(c) 15 V >><<

>>id=example19 class=question margin=10px frame round<< Answer: A >><<

>>frame round<< Question 20:

A C-R charging circuit consists of C=10µF and R=20 k&#937;. If the circuit is supplied with a voltage of 5 V and the capacitor is initially fully discharged, which one of the following gives the time taken for the capacitor voltage to reach 3.15 V?

(a) 0.2 s
(b) 0.4 s
(c) 0.5 s >><<

>>id=example20 class=question margin=10px frame round<< Answer: A >><<

>>frame round<< Question 21:

In the circuit shown, where R1 and R2 have different values

(a) the same current will flow in both resistors
(b) the same voltage will appear across both resistors
(c) the same power will be dissipated in both resistors >><<

>>id=example21 class=question margin=10px frame round<< Answer: A >><<

>>frame round<< Question 22:

In the circuit shown, where R1 and R2 have different values:

(a) the same current will flow in both resistors
(b) the same voltage will appear across both resistors
(c) the same power will be dissipated in both resistors >><<

>>id=example22 class=question margin=10px frame round<< Answer: B >><<

>>frame round<< Question 23:

Which one of the following statements is TRUE for a C-R charging circuit?

(a) The capacitor voltage will reach the supply voltage in a time interval equal to the time constant
(b) The capacitor voltage will reach the supply voltage in a time interval equal to twice the time constant
(c) The capacitor voltage will never reach the supply voltage >><<

>>id=example23 class=question margin=10px frame round<< Answer: C >><<

>>frame round<< Question 24:

Which one of the following statements is TRUE for a C-R discharging circuit?

(a) The capacitor voltage will be zero after a time interval equal to the time constant
(b) The capacitor voltage will be zero after a time interval equal to five times the time constant
(c) The capacitor voltage will never quite reach zero >><<

>>id=example24 class=question margin=10px frame round<< Answer: C >><<

>>frame round<< Question 25:

The circuit shown is:

(a) a potential divider
(b) a tuned circuit
(c) a waveshaping circuit >><<

>>id=example25 class=question margin=10px frame round<< Answer: A >><< (:nl:)(:table style="clear:both":)

(:Summary: Website page footer:)

Print - (:comment (:if group Site,SiteAdmin,Cookbook,Profiles,PmWiki*:) (:comment delete if and ifend to enable backlinks:) %item rel=nofollow class=backlinks accesskey='$[ak_backlinks]'% [[{*$Name}?action=search&q=link={*$FullName} | $[Backlinks] ]] (:ifend:) :) Search - Login

Page last modified on July 25, 2011, at 11:27 AM