Recent Changes - Search:
<^< Multiple Choice Quiz: Passive Components | Course index | Assignment: Passive Components >^>

Electronic circuits and components * Course Index * Introduction * About the Author * About this Course * Feedback * Course Navigation * How to use this Course * TINA * Locktronics

Fundamentals * Introduction: Fundamentals * Units and Multiples * Electricity * Electronic Principles * Electrical Circuits * Alternating Current * Assessment: Fundamentals

Passive Components * Introduction: Passive Components * Resistors * Capacitors * Inductors * Transformers * Batteries, Fuses, Lamps and Switches * Assessment: Passive Components ## Multiple Choice Quiz: Passive Components ##

Written Questions: Passive Components ## Assignment: Passive Components

Semiconductors * Introduction: Semiconductors * Diodes * Transistors * Logic Gates * Assessment: Semiconductors

Passive Circuits * Introduction: Passive Circuits * Series and Parallel Connections * Kirchoff's Laws * Potential and Current Dividers * Passive Time Variant Circuits * Assessment: Passive Circuits

Active Circuits * Introduction: Active Circuits * Power Supply Circuits * Operational Amplifier Circuits * Transistor Amplifier Circuits * 555 Timer Circuits * Assessment: Active Circuits

Parts Gallery * Introduction: Parts Gallery * Passive Component Images * Semiconductor Images * Other Images * Quizzes

(:Summary:Contains the 'action' links (like Browse, Edit, History, etc.), placed at the top of the page, see site page actions:) (:comment This page can be somewhat complex to figure out the first time you see it. Its contents are documented at PmWiki.SitePageActions if you need help. :) * Print (:comment (:if group Site,SiteAdmin,Cookbook,Profiles,PmWiki*:) (:comment delete if and ifend to enable backlinks:) * %item rel=nofollow class=backlinks accesskey='$[ak_backlinks]'% [[{*$Name}?action=search&q=link={*$FullName} | $[Backlinks] ]] (:ifend:) :) * Login

Written Questions: Passive Components

<^< Multiple Choice Quiz: Passive Components | Course Index | Assignment: Passive Components >^>(:nl:)

The section on the right contains a list of written questions. These can be printed out for your own use.

1. Determine the value and tolerance of resistors marked with the following coloured bands:

(a)


(b)

(c)

(d)

(e)

2. A batch of resistors are all marked yellow, violet, black, gold. If a resistor is selected from this batch within what range would you expect its value to be?

3. Resistors of 15 &#937; and 10 &#937; are connected in series across a 5 V supply. What current will flow in the circuit and what voltage will appear across each resistor?

4. Sketch the symbol for each of the following electronic components:

(a) a fixed resistor
(b) a single-cell battery
(c) a variable resistor
(d) a fixed capacitor
(e) a fixed inductor.

5. Three capacitors, 10 µF, 20 µF and 40 µF are connected (a) in series and (b) in parallel. What will the effective capacitance be in each case?

6. Three inductors, 3 mH, 4 mH and 5 mH are connected (a) in series and (b) in parallel. What will the effective capacitance be in each case?

7. Resistors of 27 &#937;, 33 &#937;, 56 &#937; and 68 &#937; are available. How can two or more of these resistors be arranged to realize the following resistance values? Illustrate your answer with sketches. (a) 60 &#937; (b) 14.9 &#937; (c) 124 &#937; (d) 11.7 &#937; (e) 128 &#937;

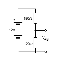
8. Determine the voltage, V'_AB_', in the circuit shown in the figure.

9. Determine the current, I'_Y_', in the circuit shown in figure.

10. A moving coil meter requires a full-scale deflection current of 1 mA. If the internal resistance of the meter is 400 &#937;, determine the value of shunt resistance required to convert the instrument to read 10 mA, full-scale.

11. Capacitors of 1 µF, 3.3 µF, 4.7 µF and 10 µF are available. How can two or more of these capacitors be arranged to realize the following capacitance values:

(a) 8 µF
(b) 11 µF
(c) 19 µF
(d) 0.91 µF
(e) 1.94 µF.

12. Three 100 nF capacitors are connected as shown in the figure. Determine the effective capacitance of the circuit.

13. Inductors of 10 mH, 22 mH, 60 mH and 100 mH are available. How can two or more of these inductors be arranged to realize the following inductance values? Illustrate your answer with sketches.

(a) 6.2 mH
(b) 6.9 mH
(c) 32 mH
(d) 70 mH
(e) 170 mH.

14. A loss-free transformer has 660 primary turns and 60 secondary turns. If the primary winding is connected to a 220 V mains supply and the secondary is connected to a 10 &#937; load resistor, determine:

(a) the secondary voltage
(b) the secondary current
(c) the primary current
(d) the power dissipated in the load resistor.

15. A transformer is to be used to provide 12 V at 2.5 A from a 240 V, AC mains supply. If the primary winding is to have 1,200 turns, and assuming that the transformer is loss-free, determine:

(a) the secondary power
(b) the primary power
(c) the primary current
(d) the number of turns on the secondary winding.

(:nl:)(:table style="clear:both":)

(:Summary: Website page footer:)

Print - (:comment (:if group Site,SiteAdmin,Cookbook,Profiles,PmWiki*:) (:comment delete if and ifend to enable backlinks:) %item rel=nofollow class=backlinks accesskey='$[ak_backlinks]'% [[{*$Name}?action=search&q=link={*$FullName} | $[Backlinks] ]] (:ifend:) :) Search - Login

Page last modified on July 22, 2011, at 08:48 AM