Recent Changes - Search:
<^< Input Resistance | Course index | Input Offset Voltage >^>

Electronic circuits and components * Course Index * Introduction * About the Author * About this Course * Feedback * Course Navigation * How to use this Course * TINA * Locktronics

Fundamentals * Introduction: Fundamentals * Units and Multiples * Electricity * Electronic Principles * Electrical Circuits * Alternating Current * Assessment: Fundamentals

Passive Components * Introduction: Passive Components * Resistors * Capacitors * Inductors * Transformers * Batteries, Fuses, Lamps and Switches * Assessment: Passive Components

Semiconductors * Introduction: Semiconductors * Diodes * Transistors * Logic Gates * Assessment: Semiconductors

Passive Circuits * Introduction: Passive Circuits * Series and Parallel Connections * Kirchoff's Laws * Potential and Current Dividers * Passive Time Variant Circuits * Assessment: Passive Circuits

Active Circuits * Introduction: Active Circuits * Power Supply Circuits * Operational Amplifier Circuits ## Symbols and Signal Connections ## Power Supply Connections ## Dual Supply Configurations ## Voltage Gain ## Worksheet: Voltage Gain ## Input Resistance ##

Output Resistance ## Input Offset Voltage ## Inverting Amplifier ## Worksheet: Inverting Amplifier ## Non-inverting Amplifier ## Worksheet: Non-inverting Amplifier ## Differential Amplifier ## Worksheet: Differential Amplifier ## Direct Coupled Amplifier ## Worksheet: Direct Coupled Amplifier * Transistor Amplifier Circuits * 555 Timer Circuits * Assessment: Active Circuits

Parts Gallery * Introduction: Parts Gallery * Passive Component Images * Semiconductor Images * Other Images * Quizzes

(:Summary:Contains the 'action' links (like Browse, Edit, History, etc.), placed at the top of the page, see site page actions:) (:comment This page can be somewhat complex to figure out the first time you see it. Its contents are documented at PmWiki.SitePageActions if you need help. :) * Print (:comment (:if group Site,SiteAdmin,Cookbook,Profiles,PmWiki*:) (:comment delete if and ifend to enable backlinks:) * %item rel=nofollow class=backlinks accesskey='$[ak_backlinks]'% [[{*$Name}?action=search&q=link={*$FullName} | $[Backlinks] ]] (:ifend:) :) * Login

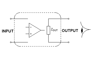
Output Resistance

<^< Input Resistance | Course Index | Input Offset Voltage >^>(:nl:)

The output resistance of an operational amplifier is defined as the ratio of open-circuit output voltage to short-circuit output current expressed in ohms. Typical values of output resistance range from less than 10&#937; to around 100&#937; depending upon the configuration and amount of feedback employed.

Output resistance is the ratio of open-circuit output voltage to short-circuit output current, hence:

R'_OUT_' = V'_OUT_'(OC)/I'_OUT_'(SC)

where R'_OUT_' is the output resistance (in &#937;), V'_OUT_'(OC) is the open-circuit output voltage (in V) and I'_OUT_'(SC) is the short-circuit output current (in A). (:nl:)(:table style="clear:both":)

(:Summary: Website page footer:)

Print - (:comment (:if group Site,SiteAdmin,Cookbook,Profiles,PmWiki*:) (:comment delete if and ifend to enable backlinks:) %item rel=nofollow class=backlinks accesskey='$[ak_backlinks]'% [[{*$Name}?action=search&q=link={*$FullName} | $[Backlinks] ]] (:ifend:) :) Search - Login

Page last modified on July 25, 2011, at 02:07 PM